製品詳細
PRODUCT DETAIL

UXM-30LN-PW02
測域センサエリア設定タイプ
立体駐車場入出庫バース内の居残り検知用センサ
製品概要
特徴
● 立体駐車場入出庫バース内の居残りを検知するためのセンサです。
● 各車輌の形状にあわせて、車輌ぎりぎりまでエリアを設定可能です。
● 簡単なエリア設定により、車輌にぴったりとくっついた人も検出できます。
● 各車輌の形状にあわせて、車輌ぎりぎりまでエリアを設定可能です。
● 簡単なエリア設定により、車輌にぴったりとくっついた人も検出できます。
入庫時の居残り検知
車が入庫した後、オートティーチング※(周辺形状を取得してワークエリアを自動的に作成する機能)によって車の形状に合わせて ワークエリアを作成し、設定したワークエリア内の居残りを検出します。
出庫時の居残り検知

車を出庫した後、扉を閉じる前に事前に作成しておいたワークエリア内の居残りを検出します。
ベースエリア
入力によりエリアを作成する際の最大距離と角度の範囲。事前に設定しておく
ワークエリア
入力信号により自動で作成されるエリア。このエリアで検出判定を行う
★ 運用前に監視したい領域を含むベースエリアを大まかに設定しておきます。車が入庫した後、外部入力により車の入庫状態に合わせたワークエリアをオートティーチングで設定します。ワークエリアは、ベースエリア以上の範囲は作成されませんので、不要な背景の影響を受けることがありません。また、入庫時と出庫時のベースエリアは個別に設定可能です。
★ センサを2 台設置することでエリア内の死角を無くすことができます。
ベースエリア
入力によりエリアを作成する際の最大距離と角度の範囲。事前に設定しておく
ワークエリア
入力信号により自動で作成されるエリア。このエリアで検出判定を行う
★ 運用前に監視したい領域を含むベースエリアを大まかに設定しておきます。車が入庫した後、外部入力により車の入庫状態に合わせたワークエリアをオートティーチングで設定します。ワークエリアは、ベースエリア以上の範囲は作成されませんので、不要な背景の影響を受けることがありません。また、入庫時と出庫時のベースエリアは個別に設定可能です。
★ センサを2 台設置することでエリア内の死角を無くすことができます。
入庫作業

出庫作業

形式一覧
■ 本体
■ エリア設定用USBケーブル (別売り)
※本体には付属しておりませんのでお持ちで無い場合は本体と一緒にご購入お願いいたします。
| 型式 | 品コード | 検出範囲 |
| UXM-30LN-PW02 | UUXM014 | 検出距離:0.1~30m 角度:190° |
■ エリア設定用USBケーブル (別売り)
| 品名 | 品コード | 備考 |
| エリア設定用 PC接続ケーブル |
UZ00023 | エリア設定時に必要となるケーブルです。 |
製品仕様
| 種類 | 検出エリア設定タイプ |
| 形式 | UXM-30LN-PW02 |
| 品コード | UUXM014 |
| 電源電圧 | DC10~30V |
| 消費電流 | 定常時:DC10/12V時 600mA以下、DC24V時 250mA以下 起動時:DC10V 2A以下、DC12V 1.5A以下、DC24V 0.75A以下 |
| 光源 | 半導体レーザ λ=905nm(レーザ安全クラス1) |
| 測距原理 | Time Of Flight(パルス式) |
| 測距範囲 | 検出保証値:0.1~30m※1(黒10%反射物 500mm□) 最大検出距離:60m(エリア設定最大値) 角度:190° |
| 検出物体 | 5m:65mm、10m:130mm、30m:400mm(いずれも距離における最小の検出物) |
| 測距精度 | 周囲照度 3000lx以下:±50mm*3 (反射率10%黒紙 10mまで、反射率90%白ケント紙 30mまで)※2 周囲照度 100000lx以下:±100mm*3 (反射率10%黒紙 10mまで、反射率90%白ケント紙 30mまで)※2 |
| 角度分解能 | ステップ角:0.25°(360°/1,440分割) |
| 検出エリア | 検出エリア作成入力を受け付けると、設定した最大値エリア内の環境に合わせて環境の距離を取得し、自動で検出エリアを作成します。 |
| 走査時間 | 50ms/scan(モーター回転数1200rpm) |
| インタフェース | USB2.0(Full Speed、12Mbps、エリア、パラメータ設定用) |
| OUTPUT 4点:故障出力、判定出力、Ready出力、近距離エラー出力 | |
| 入力 | INPUT3点:検出エリア作成入力、入出庫切り替え入力、発光停止入力 |
| 出力応答時間 | 100ms以下(スキャン速度50ms/1回転) |
| 起動時間 | 電源投入から30秒以内で動作(但し、起動状態によって超える場合があります) |
| 表示灯 | 電源表示灯(緑)、動作/故障表示(橙):起動時消灯 動作時一点灯(検出時)消灯(非検出時)、故障時一連続点滅、発光停止時-約2秒消灯後2回点滅 |
| 接続 | 電源・入出力:ケーブル引出し式2、USB:コネクタ(Binder 09-0431-87-04) |
| 使用周囲温度・湿度 | -10~+50℃(保存時-25~+75℃)、85%RH以下。但し結露・氷結しないこと |
| 耐振動 | 複振幅1.5mm 10~55Hz X、Y、Z各方向 各2時間 |
| 耐衝撃 | 196m/s2 X、Y、Z各方向 各10回 |
| 絶縁抵抗 | 10MΩ |
| 保護構造 | IP67(IEC規格) |
| ケース材質 | ケース前面部:ポリカーボネート、ケース背面部:アルミ |
| 質量 | 約1100g(ケーブル含む) |
※2.環境の影響は実機での確認をお願いします。
出力回路に自己保持機能付き接点出力を接続する際は、起動時に意図しない出力状態を保持しないように十分な検証を行って下さい。
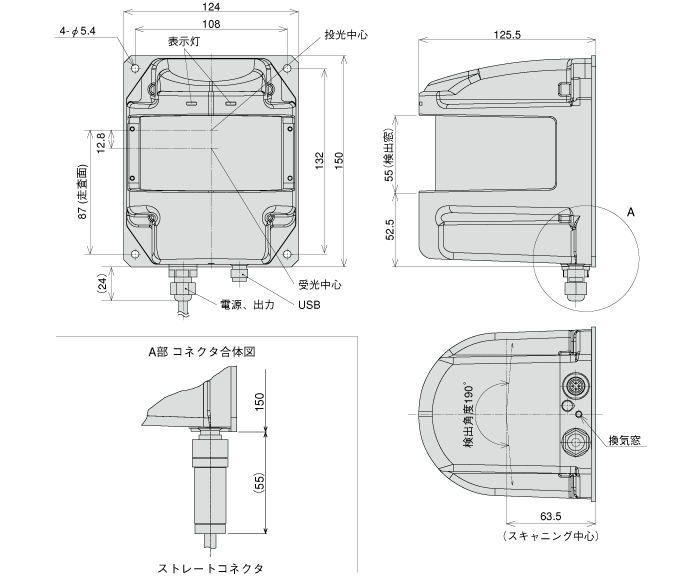
外形図
UXM-30LN-PW02

各種ダウンロード
ダウンロードの前に
ファイルのダウンロードは会員様のみが可能です。
会員登録されていない場合は「会員登録」ボタンより会員登録を行ってください。
既に会員の方は、下記の規約に同意いただき、「同意する」ボタンをクリックしてください。
会員登録されていない場合は「会員登録」ボタンより会員登録を行ってください。
既に会員の方は、下記の規約に同意いただき、「同意する」ボタンをクリックしてください。
資料ダウンロード用使用許諾
弊社各種商品の製品仕様・図面資料・各種資料及びソフトウェアのダウンロードに際して、事前にご利用規約をお読みいただき、ご理解・ご同意の上でご利用いただくようお願い申し上げます。
ご同意いただけない場合、ダウンロードページへの登録・承認ができないことをご了承ください。(なお、本利用規約は予告なく変更することがございます。)
利用規約
- 知的財産権
-
- 当ウェブサイトに公開されている文章、データやソフトウェアなどのコンテンツ
(以下コンテンツという)の著作権およびその他の権利は、当社またはその供給者が有します。 - 当社が当ウェブサイトに掲載しているコンテンツの二次的利用(複製、転用、改変、解析、送信、譲渡、貸与、使用許諾、及び営業活動または営利を目的とする使用等)は、事前に承諾がない限り固く禁止いたします。各ダウンロードサイトやコンテンツに個別の使用条件を記載している場合は、それらの利用条件を本利用規約に優先させて適用させていただきます。
- 当社は当ウェブサイトによるコンテンツの提供により、コンテンツに含まれる発明、デザイン等に対する特許権、意匠権その他の知的財産権の譲渡または当該知的財産権に基づくいかなる権利の許諾を行うものではありません。
- 当ウェブサイトに公開されている文章、データやソフトウェアなどのコンテンツ
- 免責事項
-
当社は、当ウェブサイトに掲載した情報には細心の注意を払っておりますが、以下の点に責任を負うものではありません。
- 掲載された情報が常に最新版であり、適時適切に更新、または訂正されていること。
- 掲載された情報が正確で、有用で、安全であること。
- 当ウェブサイトの情報の変更、削除、公開の中断、中止等、ご利用になったことによるお客様に生じた損害。
- 当ウェブサイトの利用によって起きた一切の損害。
ダウンロード一覧
| 分類 | ファイル名 | ファイル 容量 |
更新日 | ダウンロード |
|---|---|---|---|---|
|
|
UXM-30LN-PW02 仕様書
|
---
|
2020-08-25
|
|
|
|
UXM_Configurator(PW02)_設定アプリ取扱説明書
|
---
|
2019-03-07
|
|
|
|
UXM-30LN-PW02 設定アプリケーションソフト Ver.3.2.0
|
---
|
2019-03-07
|
|
|
|
UXM-30LN-PW02 2DCAD(dxf)
|
---
|
2016-04-06
|
|
|
|
UXM-30LN-PW02 3DCAD(IGES)
|
---
|
2015-04-17
|
|
|
|
UXM-30LN-PW02 3DCAD(STEP)
|
---
|
2015-04-17
|
|
|
|
UXM-30LN-PW02 総合カタログ
|
---
|
2021-11-04
|
同カテゴリの他の製品を見る
製品カテゴリ
- 測域センサ
- 光電・レーザーセンサ
- 鉄鋼・クレーンセンサ
- 応用システム
- 光データ伝送装置
- カウンタ
- 自動ドア
製品特集情報









