製品詳細
PRODUCT DETAIL

PX1/PX2
光電・レーザーセンサアンプ内蔵形センサ
こちらの製品は生産・販売を終了しています。
小型・スリムサイズにセンサニーズを満載
製品概要
特徴
40×80×80mmのボディサイズに、必要スペックを凝縮しました。
当社BWFシリーズと同様、立体自動倉庫におけるスタッカクレーン、あるいは天井クレーンの制御など、比較的距離を必要とする用途に適しています。
当社BWFシリーズと同様、立体自動倉庫におけるスタッカクレーン、あるいは天井クレーンの制御など、比較的距離を必要とする用途に適しています。
製品仕様
●透過形
※1 警報出力付です。レンズの汚れや光軸ズレによる不安定検出を防止します。
※2 自己診断出力付機種のみ。
●リフレクタ反射形
※鏡面体を安定検出します(反射や光沢の影響を受けません)。
●反射形・限定反射形
※限定検出により、背景の影響を受けにくい設計です。
| 種類 | 透過形 | |||||||
| 基本タイプ | 自己診断出力付 | 高余裕度タイプ | 広角タイプ | |||||
| 形式 | PX1-C | PX2-C | PX11-C※1 | PX21-C※1 | PX1-10C | PX2-10C | PX1-CW | PX1-2CW |
| 光源 | 赤外LED | |||||||
| 電源電圧 | DC12~24V(+10%、-10%、リップル10%以下) | DC24V | ||||||
| 消費電流 | 投光器:30mA以下、受光器:10mA以下 | 投光器:12mA以下 | 投光器:20mA以下 | |||||
| 受光器:10mA以下 | 受光器:10mA以下 | |||||||
| 検出距離 | 3m | 10m | 50m | 2m | ||||
| 検出物体 | φ8mm以上の不透明体 | |||||||
| 動作角度 | 投光器:5~9°、受光器:12~16° | 投光器:±1.4°(10m時) | 動作幅:0.3m以上(設定距離0.4m時) | 動作幅:0.9m以上(設定距離3m時) | ||||
| 受光器:±4.2°(10m時) | ||||||||
| いずれも指向角 | ||||||||
| 応答時間 | 3ms以下 | 10ms以下 | ||||||
| 動作モード | 制御線(桃)により切換え | |||||||
| 入光時動作:制御線を電源の 0V側(青)に接続 | ||||||||
| 遮光時動作:制御線を電源の+V側(茶)に接続 | ||||||||
| 制御出力 | NPNトランジスタ・電圧電流出力。許容 荷電源電圧:30V以下 | |||||||
| 許容 荷電流:100mA以下 残留電圧:1.3V/100mA以下、0.5V/10mA | ||||||||
| 定電流源出力電流:1.5mA以下 | ||||||||
| 自己診断出力※2 | FETオープンドレイン・オープンコレクタ出力。許容 荷電源電圧:30V以下 | |||||||
| 許容 荷電流:30mA以下 安定検出レベル時ON、不安定検出レベル時OFF。 | ||||||||
| 感度調整器 | 付 | |||||||
| 表示灯 | 制御出力表示灯:赤色LED。安定検出レベル表示灯:緑色LED | |||||||
| 接続方式 | コード引出し式(2m長、0.2mm2、ビニル絶縁耐寒ケーブル) | |||||||
| 使用周囲照度 | 太陽光:10,000lx以下、白熱ランプ:3,000lx以下 | |||||||
| 使用周囲温度・湿度 | -25℃~+60℃(保存時:-25℃~+70℃)、35~85%RH | |||||||
| 絶縁抵抗 | 20MΩ以上(DC500Vメガ―) | |||||||
| 耐電圧 | AC1,000V 50/60Hz 1分間 | |||||||
| 耐振動 | 複振幅1.5mm 10~55Hz X、Y、Z各方向 各2時間 | |||||||
| 耐衝撃 | 500m/s2 X、Y、Z各方向 各3回 | |||||||
| 保護構造 | IP66(IEC規格) | |||||||
| 材質 | ケース:PBT樹脂 | |||||||
| 質量 | 投光器:50g 受光器:55g | |||||||
| 付属品 | 取付金具、感度調整用金具 | |||||||
※2 自己診断出力付機種のみ。
●リフレクタ反射形
| 種類 | リフレクタ反射形 | |||
| 基本タイプ | 偏光フィルタ付 | |||
| 形式 | PX1-H3C | PX2-H3C | PX1-H3CM※ | PX2-H3CM※ |
| 光源 | 赤外LED | 赤色LED | ||
| 電源電圧 | DC12~24V(+10%、-10%、リップル10%以下) | |||
| 消費電流 | 15mA以下 | |||
| 検出距離 | 0.1~1.5m | 0.3~3m | ||
| 検出物体 | φ50mm以上の不透明体 | |||
| 動作角度 | センサ:4° 反射板:60° | センサ:2.5° 反射板:60° | ||
| 応答時間 | 1ms以下 | 5ms以下 | ||
| 動作モード | 制御線(桃)により切換え | |||
| 入光時動作:制御線を電源の 0V側(青)に接続 | ||||
| 遮光時動作:制御線を電源の+V側(茶)に接続 | ||||
| 制御出力 | NPNトランジスタ・電圧電流出力。 許容 荷電源電圧:30V以下 | |||
| 許容 荷電流:100mA以下 残留電圧:1.3V/100mA以下、0.5V/10mA | ||||
| 定電流源出力電流:1.5mA以下 | ||||
| 感度調整器 | 付 | |||
| 表示灯 | 制御出力表示灯:赤色LED。安定検出レベル表示灯:緑色LED | |||
| 接続方式 | コード引出し式(2m長、0.2mm2、ビニル絶縁耐寒ケーブル) | |||
| 使用周囲照度 | 太陽光:10,000lx以下、白熱ランプ:3,000lx以下 | |||
| 使用周囲温度・湿度 | -25℃~+60℃ | -25℃~+55℃ | ||
| (保存時:-25℃~+70℃) | (保存時:-25℃~+70℃) | |||
| 35~85%RH | 35~85%RH | |||
| 絶縁抵抗 | 20MΩ以上(DC500Vメガ―) | |||
| 耐電圧 | AC1,000V 50/60Hz 1分間 | |||
| 耐振動 | 複振幅1.5mm 10~55Hz X、Y、Z各方向 各2時間 | |||
| 耐衝撃 | 500m/s2 X、Y、Z各方向 各3回 | |||
| 保護構造 | IP66(IEC規格) | IP64(IEC規格) | ||
| 材質 | ケース:PBT樹脂 | |||
| 質量 | 55g | |||
| 付属品 | 反射板(RRP-50S)、取付金具、感度調整用金具 | |||
●反射形・限定反射形
| 種類 | 反射形 | 限定反射形 | ||||
| 基本タイプ | 高余裕度タイプ | 基本タイプ | ||||
| 形式 | PX1-H1C | PX2-H1C | PX1-50H1C | PX2-50H1C | PX1-H2C※ | PX2-H2C※ |
| 光源 | 赤外LED | |||||
| 電源電圧 | DC12~24V (+10%、-10%、リップル10%以下) | |||||
| 消費電流 | 15mA以下 | |||||
| 検出距離 | 20cm(20cm□白画用紙) | 50cm(20cm□白画用紙) | 40mm±5mm | |||
| (5cm□白画用紙) | ||||||
| 検出物体 | 透明体・半透明体・不透明体 | |||||
| 応答時間 | 1ms以下 | |||||
| 動作モード | 制御線(桃)により切換え | |||||
| 入光時動作:制御線を電源の 0V側(青)に接続 | ||||||
| 遮光時動作:制御線を電源の+V側(茶)に接続 | ||||||
| 制御出力 | NPNトランジスタ・電圧電流出力。 許容 荷電源電圧:30V以下 | |||||
| 許容 荷電流:100mA以下 残留電圧:1.3V/100mA以下、0.5V/10mA | ||||||
| 定電流源出力電流:1.5mA以下 | ||||||
| 感度調整器 | 付 | |||||
| 表示灯 | 制御出力表示灯:赤色LED。安定検出レベル表示灯:緑色LED | |||||
| 接続方式 | コード引出し式(0.2mm2、ビニル絶縁耐寒ケーブル) | |||||
| 2m長 | 5m長 | 2m長 | ||||
| 使用周囲照度 | 太陽光:10,000lx以下、白熱ランプ:3,000lx以下 | |||||
| 使用周囲温度・湿度 | -25℃~+60℃(保存時:-25℃~+70℃)、35~85%RH | |||||
| 絶縁抵抗 | 20MΩ以上(DC500Vメガ―) | |||||
| 耐電圧 | AC1,000V 50/60Hz 1分間 | |||||
| 耐振動 | 複振幅1.5mm 10~55Hz X、Y、Z各方向 各2時間 | |||||
| 耐衝撃 | 500m/s2 X、Y、Z各方向 各3回 | |||||
| 保護構造 | IP66(IEC規格) | |||||
| 材質 | ケース:PBT樹脂 | |||||
| 質量 | 55g | 130g | 55g | |||
| 付属品 | 取付金具、感度調整用金具 | |||||
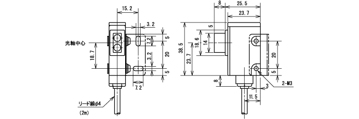
外形図
PX1-C・PX1-10C・PX11-C/スリット使用の場合

注)スリットは横方向にも取付けられます。スリットの詳細は別途お問い合せください。
PX1-H3C/PX1-H3CM

PX1-H1C・PX1-50H1C

PX1-H2C

PX2-C・PX2-3C・PX2-10C・PX21-C/スリット使用の場合

注)スリットは横方向にも取付けられます。スリットの詳細は別途お問い合せください。
PX2-H3C・PX2-H1C・PX2-50H1C

PX2-H3CM

PX2-H2C

反射板(RRP-50S)

入出力回路
一般タイプ

動作モード切換え(桃):(1) 入光時出力トランジスタON( 0V側に接続)
(2) 遮光時出力トランジスタON(+V側に接続)
(2) 遮光時出力トランジスタON(+V側に接続)
自己診断出力付

動作モード切換え(桃):(1) 入光時出力トランジスタON( 0V側に接続)
(2) 遮光時出力トランジスタON(+V側に接続)
注)透過形の投光器は(茶)(青)のみです。
(2) 遮光時出力トランジスタON(+V側に接続)
注)透過形の投光器は(茶)(青)のみです。
各種ダウンロード
ダウンロードの前に
ファイルのダウンロードは会員様のみが可能です。
会員登録されていない場合は「会員登録」ボタンより会員登録を行ってください。
既に会員の方は、下記の規約に同意いただき、「同意する」ボタンをクリックしてください。
会員登録されていない場合は「会員登録」ボタンより会員登録を行ってください。
既に会員の方は、下記の規約に同意いただき、「同意する」ボタンをクリックしてください。
資料ダウンロード用使用許諾
弊社各種商品の製品仕様・図面資料・各種資料及びソフトウェアのダウンロードに際して、事前にご利用規約をお読みいただき、ご理解・ご同意の上でご利用いただくようお願い申し上げます。
ご同意いただけない場合、ダウンロードページへの登録・承認ができないことをご了承ください。(なお、本利用規約は予告なく変更することがございます。)
利用規約
- 知的財産権
-
- 当ウェブサイトに公開されている文章、データやソフトウェアなどのコンテンツ
(以下コンテンツという)の著作権およびその他の権利は、当社またはその供給者が有します。 - 当社が当ウェブサイトに掲載しているコンテンツの二次的利用(複製、転用、改変、解析、送信、譲渡、貸与、使用許諾、及び営業活動または営利を目的とする使用等)は、事前に承諾がない限り固く禁止いたします。各ダウンロードサイトやコンテンツに個別の使用条件を記載している場合は、それらの利用条件を本利用規約に優先させて適用させていただきます。
- 当社は当ウェブサイトによるコンテンツの提供により、コンテンツに含まれる発明、デザイン等に対する特許権、意匠権その他の知的財産権の譲渡または当該知的財産権に基づくいかなる権利の許諾を行うものではありません。
- 当ウェブサイトに公開されている文章、データやソフトウェアなどのコンテンツ
- 免責事項
-
当社は、当ウェブサイトに掲載した情報には細心の注意を払っておりますが、以下の点に責任を負うものではありません。
- 掲載された情報が常に最新版であり、適時適切に更新、または訂正されていること。
- 掲載された情報が正確で、有用で、安全であること。
- 当ウェブサイトの情報の変更、削除、公開の中断、中止等、ご利用になったことによるお客様に生じた損害。
- 当ウェブサイトの利用によって起きた一切の損害。
ダウンロード一覧
| 分類 | ファイル名 | ファイル 容量 |
更新日 | ダウンロード |
|---|---|---|---|---|
|
|
PX1 / PX2 マニュアル
|
---
|
2017-02-09
|
代替品
| PEY | 互換ブラケット(PX1→PEY、PX2→PEY)を用意しています。 PXとPEYでは高さ位置が異なりますので注意願います |
|---|
同カテゴリの他の製品を見る
製品カテゴリ
- 測域センサ
- 光電・レーザーセンサ
- 鉄鋼・クレーンセンサ
- 応用システム
- 光データ伝送装置
- カウンタ
- 自動ドア
製品特集情報







